Axles - Front Axle Assembly and Steering Linkage
Axles - Differential Assembly
Axles - Front Axle Housing, Shaft and Related Parts
Axles - Front Axle Steering Knuckle, Universal Joint and Related Parts
Axles - Front Axle Steering Knuckle and Related Parts
Axles - Front Axle Universal Joint
Axles - Rear Axle Assembly
Body and Frame - Pintle Hook
Body and Frame - Front Compartment and Instrument Panel
Body and Frame - Body Assembly
Brakes - Brake Assembly
Brakes - Hand Brakes (External Contracting type)
Brakes - Hand Brakes (Internal Expanding Type)
Brakes - Brake Master Cylinder Assembly
Brakes- Brake Wheel Cylinder Assembly
Clutch - Clutch Pressure Plate and Disk
Clutch - Clutch Linkage and Controls
Cooling System - Water Pump Assembly
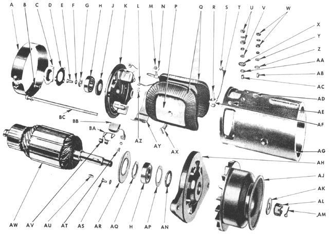
Electrical - Generator Assembly (Bearing Type)
Electrical - Generator Assembly (Bushing Type)
Electrical - Generator Regulator Assembly
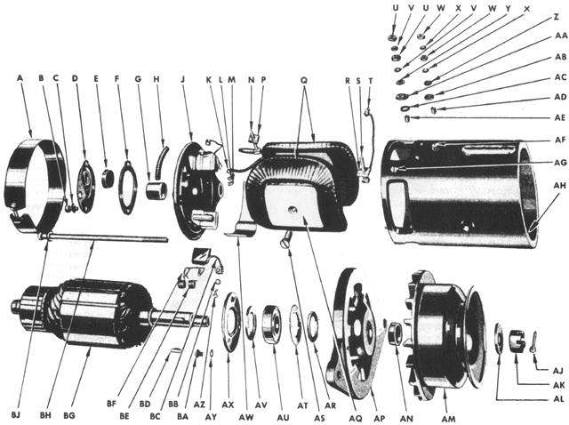
Electrical - Cranking Motor Assembly
Electrical - Distributor Assembly - Open Type
Electrical - Distributor Assembly - Dust-Proof Type
Electrical - Lighting Switch - Rotary Type
Electrical - Headlight Assembly
Electrical - Blackout Driving Light Assembly
Electrical - Marker Light Assembly
Electrical - Tail and Stop Light Assembly
Engine - Engine Assembly - Left Side View
Engine - Engine Assembly - Right Side View
Engine - Engine Assembly - Transverse, Section View
Engine - Timing Chain Cover, Cylinder Block and Flywheel Housing
Engine - Cranshaft and Bearing
Engine - Piston and Connecting Rod
Engine - Camshaft, Timing Chain and Valve Mechanism
Engine - Valve Cover and Ventilator Parts
Engine - Oil Pump Assembly
Engine - Manifold Assembly
Engine - Oil Filter Assembly
Exhaust - Exhaust System
Fuel - Fuel Tank Assembly and Related Parts
Fuel - Carburetor Assembly
Fuel - Air Cleaner Assembly
Fuel - Fuel Pump Assembly
Fuel - Fuel Strainer Assembly
Propeller Shafts - Propeller Shafts and Universal Joints
Propeller Shafts - Rear Propeller Shafts and Universal Joints
Spring and Shock Absorbers- Front Spring Assembly
Steering Gear Assembly
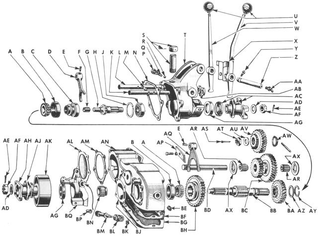
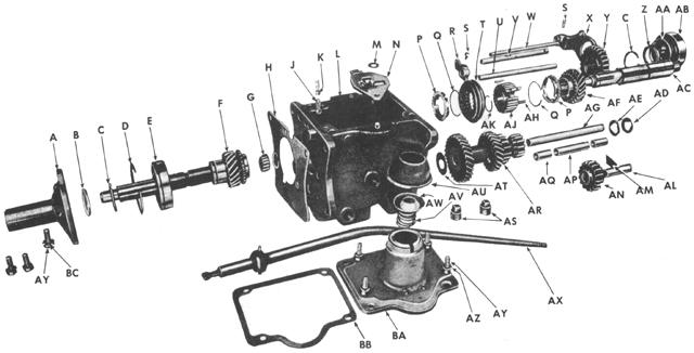
Transfer Case - Transfer Case Assembly - Sectional View
Transfer Case - Transfer Case Assembly - Exploded View
Tel: 01206 210356, Email: sales@jeepartsuk.com
The Old Coach Yard, Church Lane, Little Tey, Essex CO6 1HX, England